考研真题
1. 河南理工大学电气工程与自动化学院《电路》历年考研真题汇总
2. 全国名校电路考研真题汇总(含部分答案)
考研指导书
1. 邱关源《电路》(第5版)笔记和课后习题(含考研真题)

河南理工大学电气工程与自动化学院《电路》历年考研真题汇总
书籍目录
2014年河南理工大学818电路考研真题
2013年河南理工大学818电路考研真题
2012年河南理工大学电路考研真题
2011年河南理工大学电路考研真题
2010年河南理工大学电路考研真题
2009年河南理工大学电路考研真题
2008年河南理工大学电路考研真题
2007年河南理工大学电路考研真题

部分内容
2014年河南理工大学818电路考研真题
河南理工大学2014年硕士研究生入学考试初试试题(B卷)
考试科目:818
科目名称:电路
一、填空题
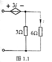
1图1.1所示电路的等效电阻为______。


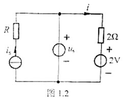
2图1.2所示电路中,已知i=3A。现令R=0,则i=______;iy=0,则i=______。
3已知无源网络电压u=10cos(ωt+70°)V,电流
u、i取参考方向,则无源网络的等效阻抗Z=______,性质为______。
4某额定电压为220V,有功率为1000W的感性负载工作于工频额定状态下,将功率因数由
提高到

,需并联C=______的电容。
5图1.3所示电路换路后,电路所满足的方程为(以uC为变量)______。



更多内容,请点击获取:
http://shuyue.100xuexi.com/Ebook/985922.html
声明:本站所有文章,如无特殊说明或标注,均为本站原创发布。任何个人或组织,在未征得本站同意时,禁止复制、盗用、采集、发布本站内容到任何网站、书籍等各类媒体平台。如若本站内容侵犯了原著者的合法权益,可联系我们进行处理。
