考研真题
1. 北京大学信息科学技术学院《电子线路》历年考研真题汇总
2. 全国名校电子技术基础(含模拟、数字)考研真题汇总
考研指导书
1. 童诗白《模拟电子技术基础》(第5版)笔记和课后习题(含考研真题)详解
2. 童诗白《模拟电子技术基础》(第5版)配套题库【考研真题精选+章节题库】
3. 邱关源《电路》(第5版)笔记和课后习题(含考研真题)详解

童诗白《模拟电子技术基础》(第5版)配套题库【考研真题精选+章节题库】
书籍目录
第一部分 考研真题精选
第二部分 章节题库

部分内容
第一部分 考研真题精选
一、选择题
1以下说法正确的是( )。[中山大学2018年研]
A.在N型半导体中如果掺入足够量的三价元素,可将其改型为P型半导体
B.因为N型半导体的多子是自由电子,所以它带负电
C.处于放大状态的晶体管,集电极电流是多子漂移运动形成的
D.若耗尽型N沟道MOS管的uGS大于零,则其输入电阻会明显变小
【答案】A
【解析】B项,N型半导体虽然多子是自由电子,但不带电;C项,放大状态下集电结反偏,促进非平衡少子漂移运动,而非多子;D项,若耗尽型N沟道MOS管的uGS大于零,其输入电阻并不会有明显变化。
2当场效应管的漏极直流电流ID从2mA变为4mA时,它的低频跨导gm将( )。[中山大学2018年研]
A.增大
B.不变
C.变小
【答案】A
【解析】低频跨导gm为ΔID与ΔuGS之比,当漏极直流电流ID从2mA变为4mA时,显然gm增大。
3PN结加正向电压,空间电荷区将( )。[中山大学2017年研]
A.变窄
B.基本不变
C.变宽
【答案】A
【解析】PN结外加正向电压,P区中的多数载流子空穴和N区中的多数载流子电子都要向PN结移动,中和了其中部分负、正离子,结果使得PN结变窄。
4二极管的电流方程为( )。[中山大学2017年研]
A.IseU
B.
C.
【答案】C
【解析】二极管的I-V特性方程为

其中,n为发射系数,其值在1~2之间,通常取1,则

5UGS=0时,能够工作在恒流区的场效应管有( )和( )。[中山大学2017年研]
A.结型管
B.增强型MOS管
C.耗尽型MOS管
【答案】A;C
【解析】N型结型管和耗尽型MOS管的开启条件为UGS>UGSth,UGSth为负。而增强型MOS管的开启条件为UGS>UGSth,UGSth为正。P型结型管和耗尽型MOS管的开启条件为UGS<UGSth,UGSth为正。而增强型MOS管的开启条件为UGS<UGSth,UGSth为负。综上,结型管和耗尽型MOS管符合题目要求。
6晶体管的共基截止频率、共射截止频率、特征频率fα、fβ、fT之间的关系是( )。[北京邮电大学2016年研]
A.fα>fβ>fT
B.fα<fβ<fT
C.fβ<fα<fT
D.fβ<fT<fα
【答案】D
【解析】fβ表示晶体管(共射)截止频率,特征频率fT=βfβ,共基截止频率fα=(β+1)fβ,β>1,所以fβ<fT<fα。
7(多选)以下说法错误的是( )。[北京邮电大学2016年研]
A.N型半导体的多子是自由电子,因此该类半导体带负电
B.PN结有内建电场,因此即使没有外加电压,也会形成电流
C.处于放大状态的晶体管,集电极的电流主要来自于发射区的多子
D.二极管一旦发生击穿,就损坏不能使用了
【答案】ABCD
【解析】A项,N型半导体虽然多子是自由电子,但不带电;B项,PN结本身就是动态平衡的产物,因此无外加电压时,其动态平衡并未打破,所以没有电流;C项,晶体管放大状态下集电结反偏,促进非平衡少子漂移运动,集电极的电流主要来自于少子而非多子;D项,反向击穿不一定损坏,如果在限流情况下,虽然击穿,但电流不大,在降压后是可逆的,二极管仍可以正常使用。
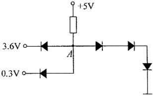
8二极管电路如图1-1-1,设二极管导通压降0.7V,则A点的电位是( )。[山东大学2017年研]

图1-1-1
A.4.3V
B.1V
C.2.1V
【答案】B
【解析】若A点电位为4.3V,则所有二极管均导通,而0.3+0.7V=1V≠4.3V,所以A项矛盾,同理C项排除。
9稳压管电路如图1-1-2,设稳压管稳压值为5V,忽略稳压管的正向导通压降,Ui=25V,则IZ=( )。[山东大学2017年研]

图1-1-2
A.8mA
B.10mA
C.5mA
【答案】C
【解析】稳压管反向导通,稳压值为5V,IZ=(25-5)/2000-5/1000=5mA。
10三极管放大电路如图1-1-3所示,设此电路静态工作点不合适使输出信号出现了饱和失真,应该( )来改善失真。[山东大学2019年研]

图1-1-3
A.增大Rb
B.减小Rb
C.增加RC
【答案】A
【解析】若静态工作点过高,则输入信号的正半周,晶体管进入饱和区工作,ib、ic、uce的波形会出现严重失真,输出波形uo底部将被削平,这种失真称为饱和失真;消除饱和失真的方法是降低Q点,如减小电源电压VCC增加Rb、减小RC或增大交流负载线斜率等。
11已知多级放大电路由多个基本放大电路级联组成,包括输入级、中间放大级、输出级。那么,互补输出级采用共集形式是为了( )。[中山大学2018年研]
A.电压放大倍数大
B.不失真输出电压大
C.带负载能力强
【答案】C
【解析】共集电路的放大倍数约等于1,故没有电压放大作用。但由于它有很高的输入电阻和很小的输出电阻,故常放在电路中间级或最后一级来增强电路的带负载能力。
12当晶体管工作在放大区时,发射结和集电结应为( )。[中山大学2017年研]
A.前者反偏、后者正偏
B.前者反偏、后者反偏
C.前者正偏、后者正偏
D.前者正偏、后者反偏
【答案】D
【解析】晶体管工作在饱和区时,发射结正偏,集电结正偏;工作在放大区时,集电结反偏,发射结正偏;工作在截止区时,集电结反偏,发射结反偏。
13PNP型晶体管工作在饱和区时( )。[北京邮电大学2015年研]
A.发射结正偏,集电结反偏
B.发射结反偏,集电结正偏
C.发射结正偏,集电结正偏
D.发射结反偏,集电结反偏
【答案】C
【解析】晶体管工作在饱和区时,发射结正偏,集电结正偏;工作在放大区时,集电结反偏,发射结正偏;工作在截止区时,集电结反偏,发射结反偏。
14由NPN型晶体管组成的单管共射放大电路中,若静态工作点设置得过低,当信号幅度过大时,输出电压波形会产生( )失真,输出电压波形的( )被削平。[北京邮电大学2015年研]
A.饱和
B.截止
C.顶部
D.底部
【答案】B;C
【解析】若静态工作点过低,则输入信号的负半周,晶体管进入截止区工作,ib、ic、uce的波形会出现严重失真,输出波形uo顶部将被削平,这种失真称为截止失真;消除截止失真的方法是提高Q点,如增加电源电压,减小基极电阻等。
15某NPN管组成的单管共射放大电路输出波形底部发生失真,该失真是( )。[北京邮电大学2016年研]
A.线性失真
B.非线性失真
C.截止失真
D.饱和失真
【答案】B
【解析】仅底部发生失真是非线性失真,由于并没有说明失真情况(削平或其他),因此不能确定是截止还是饱和失真。
16在某差动放大器中,若|Aud|=50,|Auc|=0,uid=5mV,uic=7.5mV,则|uo|=( )。[山东大学2019年研]
A.0.25V
B.0.5V
C.1V
【答案】A
【解析】差动放大器的输出电压为|uo|=|Aud|·uid+|Auc|·uic/2,所以可以计算得到输出电压信号的幅值。
17信号频率由中频下降到下限截止频率,则增益下降( )。[中山大学2018年研]
A.3dB
B.4dB
C.5dB
【答案】A
【解析】一般将增益下降3dB时所对应的频率称为截止频率。
18在输入量不变的情况下,若引入反馈后( ),则说明引入的反馈是负反馈。[中山大学2017年研]
A.输入电阻增大
B.输出量增大
C.净输入量增大
D.净输入量减小
【答案】D
【解析】A选项只有串联负反馈使得输入电阻增大。负反馈并不能减小或者增大输入量只会使得净输入量减小。
19要求提高放大电路带负载的能力,同时减小对信号源索取的电流,应当引入( )。[北京邮电大学2007年研]
A.电压并联负反馈
B.电压串联负反馈
C.电流串联负反馈
D.电流并联负反馈
【答案】B
【解析】要提高放大电路的带负载能力,需要降低输出电阻;要减小对信号源索取的电流,需要增加输入电阻;串联负反馈可以增加输入电阻,电压负反馈可以降低输出电阻,因此此处应当引入电压串联负反馈。
20在串联型晶体振荡电路中,晶体等效为( );在并联型晶体振荡电路中,晶体等效为( )。[北京邮电大学2008年研]
A.大电感
B.短路线
C.大电容
D.大电阻
【答案】B;A
【解析】串联型晶体振荡电路中,晶体呈低阻态;并联型晶体振荡电路中晶体具有极高的品质因数,频稳度高,频率选择性很好,相当于大电感。
21在乙类互补对称电路中,存在( ),为了消除它,通常采用( )。[北京邮电大学2007年研]
A.截止失真
B.甲乙类偏置
C.交越失真
D.丙类偏置
【答案】C;B
【解析】功率放大电路按工作状态的分类根据在正弦信号整个周期内的三极管导通情况,可分为以下几种:
①甲类:一个周期内均导通,导通角等于360°。
静态工作电流ICQ≥ICM(信号电流峰值),电压放大电路都属此类。
②乙类:导通角等于180°。即ICQ=0,晶体管只导通半周。
③甲乙类:导通角大于180°,小于360°。即0≤ICQ≤ICM。
④丙类:导通角小于180°。
在乙类互补对称电路中,互补管的两个PN结,对硅管来说是1.4V,在±0.7V之前是不通的,这样对输入信号就损失一定的角度,所以造成交越失真。通过增大静态偏置电流可以很好地抑制交越失真,因此可以采用甲乙类偏置。
22功率放大电路的转换效率是指( )。[中山大学2016年研]
A.输出功率与晶体管所消耗的功率之比
B.最大输出功率与电源提供的平均功率之比
C.晶体管所消耗的功率与电源提供的平均功率之比
【答案】B
【解析】功率放大电路的最大输出功率与电源所提供的平均功率之比称为转换效率。
23设计一个输出功率为20W的扩音机电路,若用乙类OCL互补对称功放电路,则所选功放管的PCM至少应为( )。[兰州大学2008年研]
A.10W
B.4W
C.40W
D.20W
【答案】B
【解析】PCmmax≈2Pomax/π2>2Po/π2≈4W。
24直流稳压电源中滤波电路的目的是( )。[中山大学2017年研]
A.将交流变为直流
B.将高频变为低频
C.将交直流混合量中的交流成分滤掉
【答案】C
【解析】直流稳压电源包括以下四部分:①电源变压器;②整流电路;③滤波电路;④稳压电路。其中,滤波电路的作用是:将脉动的直流电压中含有的较大波纹加以滤除,从而得到平滑的直流电压。
25完成直流稳压电源的组成框图1-1-4。[中山大学2017年研]

图1-1-4
A.整流电路
B.稳压电路
C.滤波电路
D.电源变压器
【答案】D;A;C;B
【解析】直流稳压电源包括四部分。
①电源变压器:是将交流电网220V的电压变换到所需的电压值。
②整流电路:是将交流电路变成脉动的直流电压。
③滤波电路:由于脉动的直流电压还含有较大的波纹,必须通过滤波电路加以滤除,从而得到平滑的直流电压。
④稳压电路:由于这样的电压还随电网电压波动(一般有10%左右的波动)、负载和温度的变化而变化。因而在整流、滤波电路之后,还需接稳压电路。接入稳压电路的作用是当电网电压波动、负载和温度变化时,维持输出直流电压稳定。
26分析如图1-1-5所示电路,选择正确答案。[哈尔滨工业大学2006年研]

图1-1-5
(1)设U2(有效值)=10V,则Ui(AV)=( )。
A.4.5V
B.9V
C.12V
D.14V
【答案】C
【解析】桥式整流,带电容滤波的输出Ui(AV)=1.2U2=12V。
(2)若电容C脱焊,则Ui(AV)=( )。
A.4.5V
B.9V
C.12V
D.14V
【答案】B
【解析】桥式整流,无电容滤波的输出Ui(AV)=0.9U2=9V。
(3)若二极管VD2接反,则( )。
A.变压器有半周被短路,会引起元器件损坏
B.变为半波整流
C.电容C将过压击穿
D.稳压管将过流损坏
【答案】A
【解析】若整流,二极管VD2接反,则在交流信号的正半周,变压器次级绕组短路。
(4)若二极管VD2脱焊,则( )。
A.变压器有半周被短路,会引起元器件损坏
B.变为半波整流
C.电容C将过压击穿
D.稳压管将过流损坏
【答案】B
【解析】若整流二极管VD2脱焊,桥式整流将变为半波整流。
(5)若电阻R短路,则( )。
A.Uo将升高
B.变为半波整流
C.电容C将击穿
D.稳压管将损坏
【答案】D
【解析】R为稳压管的限流保护电阻。
(6)设电路正常工作,当电网电压波动而使U2增大时(负载不变),则IR将( ),IZ将( )。
A.增大
B.减小
C.基本不变
【答案】A;A
【解析】IR=IZ+IL,Ui↑→Uo↑→IZ↑→IR↑。
27在某差动放大器中,若|Aud|=50,|Auc|=0,uid=5mV,uic=7.5mV,则|uo|=______。[山东大学2019年研]
A.0.25V
B.0.5V
C.1V
【答案】A
【解析】差动放大器的输出电压为|uo|=|Aud|·uid+|Auc|·uic/2,所以可以计算得到输出电压信号的幅值。
获取方式:扫码关注下面公众号,关注后
  
 
回复关键词【北京大学电子学院电子线路】或【北京大学电子学院电子线路】

